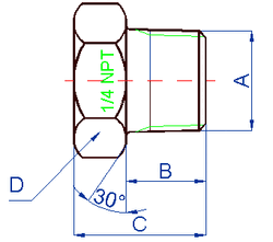
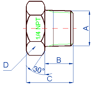
Závitové zátky s NPT závitem - ZZT
| TYP | A | B | C | D |
| ZZT 18 | 1/8 NPT | 11 | 16 | 6 HR 14 |
| ZZT 14 | 1/4 NPT | 16 | 23 | 6 HR 17 |
| ZZT 38 | 3/8 NPT | 16 | 23 | 6 HR 19 |
| ZZT 12 | 1/2 NPT | 22 | 31 | 6 HR 24 |
| ZZT 34 | ¾ NPT | 22 | 32 | 6 HR 30 |
| ZZT 100 | 1 NPT | 25 | 37 | 6 HR 36 |
| Použití: | Uzavření nepoužitých návarků a tlakových vývodů s NPT závitem | |||
| Pracovní tlak: | PN 63 | |||
| Pracovní teplota: | - 20 až + 150 °C | |||
| Materiál: | Uhlíková nelegovaná ocel, galvanicky zinkovaná | |||
| Provedení: | Zátka je označena druhem závitu | |||
| Příklad objednání: | ZÁVITOVÁ ZÁTKA ZZT 12 | |||
| Po dohodě možno dodat: | - s dokumentem kontroly dle ČSN EN 10204 - z jiného materiálu (korozivzdorná ocel atd.) |
|||

